ANASAYFA
HİZMETLERİMİZ
FİKSTÜRLERİMİZ
CNC PARÇA İŞLEME FİKSTÜRLERİ
KAYNAK MONTAJ FİKSTÜRLERİ
TEST FİKSTÜRLERİ
FİKSTÜR KONSEPT
MAKİNALAR
DIŞ KAYNAK UYGULAMALARIMIZ
İLETİŞİM
FİKSTÜR KONSEPT
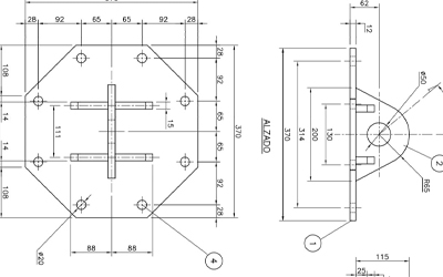
TEKNİK RESİM
3D PARÇA MODELLEME
İLK FİKSTÜR TASARIMI
YAPISAL ANALİZLER
TASARIM OPTİMİZASYONU
NİHAİ FİKSTÜR TASARIMI
2D İMALAT RESİMLERİ
NİHAİ ÜRÜN